产品展示
防爆电磁启动器BQC

适用范围
■爆炸性气体混合物危险环境:1区、2区。
■爆炸性气体混合物:ⅡA、ⅡB。
■温度组别:T1~T6。
■如要求IIC级请注明。
产品特点
■铸铝合金外壳,表面喷塑。
■内装交流接触器,热继电器,LW5自复位万能转换开关等。
■可控制交流50HZ,380V三相异步电动机直接起动、停止、并具有过载、短路、缺相、失压保护功能。
■钢管或电缆布线均可。
注:内装CJX2、NR2元件,可控制电机频繁启动,带N可控制电机正反转。
产品型号
额定工作电压
额定工作电流
控制电动机****功率
电缆外径
质量
防爆标志
防护等级
进线口螺纹
BQC53-10
380V
10A
4KW
10-14MM
8.2KG
EXD II BT4,CT4
IP55
1G
BQC53-20
380V
20A
10KW
18-22MM
8.2KG
EXD II BT4,CT4
IP55
1G
BQC53-40
380V
40A
20KW
18-22MM
8.2KG
EXD II BT4,CT4
IP55
1G
BQC53-63
380V
63A
30KW
22-26MM
15.9KG
EXD II BT4,CT4
IP55
1 1/2G
BQC53-100
380V
100A
50KW
22-26MM
15.9KG
EXD II BT4,CT4
IP55
1 1/2G
BQC53-10N
380V
10A
4KW
22-26MM
8.5KG
EXD II BT4,CT4
IP55
1G
BQC53-20N
380V
20A
10KW
10-14MM
8.5KG
EXD II BT4,CT4
IP55
1G
BQC53-40N
380V
40A
20KW
18-22MM
15.5KG
EXD II BT4,CT4
IP55
1G
主要参考技术
产品介绍
| 产品名称 | 规格型号 | 数量 |
| 隔爆型防爆磁力起动器 | BQC-10 | 2台/件 |
| BQC-20 | 2台/件 | |
| BQC-40 | 2台/件 | |
| BQC-60 | 2台/件 | |
| BQC-100 | 1台/件 | |
| BQC-10N | 2台/件 | |
| BQC-20N | 2台/件 | |
| BQC-40N | 2台/件 | |
| 隔爆型防爆综合磁力起动器 | BQC-G20 | 1台/件 |
| BQC-G40 | 台/件 |

安装图

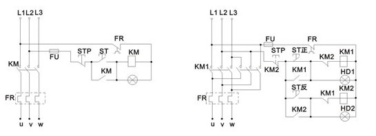
电器原理图







